Работа предпускового подогревателя

Работа предпускового подогревателя двигателя КамАЗ, который находится под передней поперечиной рамы (Рис.1), заключается в подаче топлива из бачка с топливного насоса подогревателя. Затем поступившее горючее направляется через открытый электромагнитный клапан (1) к форсунке и в определенном объёме впрыскивается во внутреннюю горелку теплообменника (2) подогревателя. Распространившееся горючее вперемешку с воздухом работающего вентилятора, воспламеняется и начинает сгорать, при этом подогревая охлаждающую жидкость. Далее продукты сгорания по трубке попадают под масляный картер и увеличивают температуру масла.
Горючее в баке подогревателя появляется в процессе работы двигателя (4) из специального бачка (5), если топливо отсутствует, то наполнение возможно при помощи ручного топливоподкачивающего насоса. Необходимо регулярно отслеживать на предмет течи топлива и охладительной жидкости в местах соединения трубок, кранов и прочих узлов.
Предпусковой подогреватель на КамАЗе в момент достижения температуры котла до 85°С, переключается в режим продувки. Включить повторно ПЖД на КамАЗе станет возможным после полного отключения.
Типовое подключение и функционал блоков управление подогревателем
БУ подогревателем, независимо от типа и конструкции, имеют принципиально одинаковые схемы подключения к внешним цепям. Обычно блок соединяется с несколькими компонентами:

Схема подключения предпускового подогревателя к блоку управления и иным системам автомобиля
- Пульт управления, установленный в салоне/кабине автомобиля;
- Топливный насос (обеспечивает подачу топлива на горелку подогревателя);
- Жидкостный насос (включен в систему охлаждения силового агрегата);
- Нагнетатель воздуха (обеспечивает подачу воздуха в камеру сгорания подогревателя);
- Свеча;
- Датчик температуры (один или несколько);
- Датчик пламени;
- Датчик перегрева;
- АКБ автомобиля.
Такое подключение обеспечивает выполнение различных функций: запуск подогревателя, контроль его режима работы в соответствии с показаниями датчиков температуры, перегрева и пламени, поддерживание и изменение режимов работы посредством управления насосами и нагнетателем воздуха, автоматическое отключение подогревателя при завершении программы или по показаниям датчиков, и т.д. Различные типы и модели подогревателей могут иметь неодинаковые схемы подключения и функционал, но все они строятся на описанных здесь принципах.
Коды выдаваемых ошибок и методы их устранения
К характерной особенности устройства 14ТС-10 относится возможность самостоятельного диагностирования оператором возникающих проблем по миганию светодиода, находящегося на пульте управления.
При запуске и нормальном функционировании подогревателя светодиод горит постоянно. В отключенном состоянии светодиод не горит. Если устройство не включается, нужно проверить поступление топлива и электропитания через предохранители 5А и 25А.
При возникновении какой-либо неисправности в ходе работы устройства светодиод начинает моргать определенное количество раз. По числу вспышек (от 1 до 10) оператор может определить конкретную проблему и способы ее решения, руководствуясь следующей таблицей:
Число вспышек светодиода
Признаки возникших неисправностей
Возможные причины и способы их устранения
Теплообменник нагрелся выше допустимых пределов
1) Температурный датчики и сигнализатор перегрева выдают показания более 102°С. Необходимо проверить насос циркуляции и целостность охлаждающей системы.
2) Показания температурного датчика и сигнализатора перегрева отличаются более чем на 20°С. В таком случае нужно проверить их исправность и поменять при необходимости. Провести проверку работоспособности насоса.
Закончилось число попыток включения устройства
Провести проверку подачи топлива в устройство. Дополнительно рекомендуется осмотреть трубопроводы поступления воздуха и отвода выхлопных газов камеры сгорания.
Периодическое затухание пламени
1) Проверить поступление топлива в подогреватель, а также работоспособность воздухопроводной системы камеры сгорания.
2) Если устройство включается, следует убедиться в исправности индикатора горения и поменять неисправный.
3) Фильтр очистки топлива мог засориться. Требуется его осмотреть, прочистить или заменить.
Отказ свечи накаливания или поломка мотора воздухонагнетателя
1) Провести проверку исправности свечи накаливания, при выявлении дефектов – заменить.
2) Провести проверку исправности воздухонагнетателя и целостность его электропроводки. При выявлении дефектов требуется замена двигателя.
Нарушения в работе индикатора пламени
Выполнить осмотр целостности электропроводки, замерить тестером сопротивление на контактах в разъемной колодке индикатора. Если данный параметр превышает 90 Ом – произошел обрыв, если менее 10 Ом – замыкание. В таких случаях потребуется замена индикатора.
Неисправны температурный датчик или сигнализатор перегрева
Необходимо осмотреть состояние соединительных электропроводов. Замерить уровень напряжения на выходе датчиков, которое имеет прямую зависимость от величины температуры: 0°С соответствует значению напряжения на выходе 2,73В, повышение на каждый градус приводит к увеличению выходного напряжения на 10мВ. Неисправные датчики следует поменять.
Не работает циркулярный насос
1) Проверить электропровода и разъем подключения циркулярного насоса, его состояние и работоспособность. Неисправный узел сменить.
2) Провести проверку исправность реле включения насоса, при выявлении дефектов – поменять.
3) Проверить функционирование топливного насоса и его соединительные электропровода, при выявлении дефектов произвести замену.
Нарушена связь управляющего блока с выносным пультом
Осмотреть состояние разъемов и целостности электропроводов, соединяющих управляющий блок с пультом. Нарушения в соединениях исправить.
Повышенный или пониженный уровень отключающего напряжения
Проверить состояние аккумулятора, регулятора напряжения и электропроводов бортовой сети автомобиля. Замерить напряжение на входе в устройство, уровень которого должен показывать не ниже 20В и не превышать 30,8В.
Превышение времени на включение работы вентиляции
Устройство плохо охлаждается за установленное время. Требуется проверить достаточное поступление воздуха в камеру, а также исправность индикатора горения. При выявлении дефектов провести замену.
Данную таблицу рекомендуется хранить в автомобиле для быстрой идентификации возникшей проблемы и ее решения.
Работа предпусковых подогревателей на примере Webasto – Своими глазами 
Суть функционирования ПЖД КамАЗ
Агрегатируется жидкостный подогреватель КамАЗа ШААЗ ПЖД к системе отопительного оборудования жидкостного типа и охлаждения КамАЗа. В устройство обязательно должно находиться охлаждающее вещество.
Справка! Сам агрегат не имеет зависимости от активности мотора.
Питание оборудование осуществляется за счет транспортного средства.
При активации подогревателя происходит отправка горючего. Оно начинается от насоса электромагнитного типа, проходит через втулку свечи. Горючее вещество контактирует с воздухом, который поступает через патрубок. Возгорание итоговой смеси происходит благодаря раскаленной свече. Затем она выключается.

Процедура горения сохраняется за счет постоянной подачи горючего вещества с воздухом. Раскаленные пары нагревают стенки оборудования теплообменника. Выхлопные газы отправляются по трубе, после попадают в атмосферу.
Многие автомобилисты не сталкивались с тем, как нужно запускать предпусковой подогреватель КамАЗа 5320 30 кВт ПЖД. В действительности это процедура не отличается сложностью.
Для запуска ПЖД КамАЗ следует выполнить ряд действий.
- Активировать деактиватор аккумуляторных батарей.
- Открыть кран на баке горючего и заполнить топливную систему КамАЗа евро 4 веществом.
- Проверить работоспособность с помощью особого насосного оборудования.
- Поставить рычаг ПЖД в позицию III.
- Активировать клавишу питания электросистемы подогрева.
- 60 секунд ставится, если температура за окном до -40 °C. При температуре ниже -50 °C устанавливают 90 секунд.
- Поставить рычаг ПЖД в позицию I.
- В устройстве теплообменник следует должен появиться характерный гул, если удерживать рукоять контроля. Такое звучание говорит о воспламенении вещества.
- Опустить рукоять.
Справка! Ровный гул оповещает о том, что все механизмы и детали функционируют как положено. Значит, переживать о состоянии механизма не стоит. Если неравномерное звучание, то в работе предпускового подогревателя ДВС что-то не так. Требуется проводить диагностику.
При неудачной активации переводят рычаг в нулевую позицию. Можно повторить процедуру, подождав одну минуту. Если после двух попыток ситуация не изменилась, то требуется разбираться в том, почему устройство не запускается.
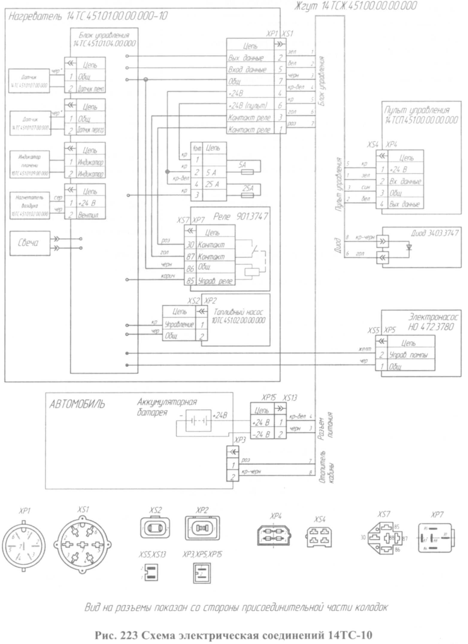
Электрическая схема предпускового подогревателя КАМАЗ
Пжд14ТС ТС 10(GP) Камаз Омск
Врезка эл.подогревателя в систему охлаждения ДВС.(п
Установка помпового подогревателя двигателя «Лунфэй»
Предпусковой подогреватель 14ТС-10 на MMC Fuso Fighter
Предпусковой подогреватель ПЖД-600 пробный пуск
Коды неисправностей, поиск неисправностей, электрические схемы Volvo FH / FM. Том 3
Запуск 14ТС на Вольво
подогрев двигателя.mp4
Как работают Воздушные автономные отопители
Вопрос №12. Пуск КАМАЗ с применением подогревателя
Также смотрите:
- Указатель давления воздуха на КАМАЗе
- Стекло ветровое КАМАЗ цельное
- Модельки КАМАЗы уралы
- Электроды для сварки рамы КАМАЗ
- Разные турбины на КАМАЗе
- Устройство системы смазки КАМАЗа
- Желтая лампочка КАМАЗ
- Корпоративное обучение КАМАЗ
- Что входит в трансмиссию КАМАЗа
- Ремонт котлов подогрева двигателя КАМАЗ
- Старый КАМАЗ 5320
Пневматические подушки кабины КАМАЗ Инерционный КАМАЗ самосвал Руль туго крутится КАМАЗа Поршня от федерал могул КАМАЗ
Что делает блок управления и пульт управления прибором?
Блок управления ПЖД 14ТС-10 выполняет все основные задачи по контролю работы устройства. Он производит начальную диагностику на наличие неисправностей в системных узлах, обеспечивает переключение программ и режимов работы, а также контролирует непосредственно сам процесс работы.
Пульт управления необходим для ручного контролирования работы блока управления. С помощью пульта оператор может самостоятельно включать и выключать систему, переключать рабочие программы, выставлять температуру подогрева и время работы системы. Также с помощью него можно смотреть рабочие показатели системы.
Работа предпускового подогревателя
Работа предпускового подогревателя двигателя КамАЗ, который находится под передней поперечиной рамы (Рис.1), заключается в подаче топлива из бачка с топливного насоса подогревателя. Затем поступившее горючее направляется через открытый электромагнитный клапан (1) к форсунке и в определенном объёме впрыскивается во внутреннюю горелку теплообменника (2) подогревателя.
Распространившееся горючее вперемешку с воздухом работающего вентилятора, воспламеняется и начинает сгорать, при этом подогревая охлаждающую жидкость. Далее продукты сгорания по трубке попадают под масляный картер и увеличивают температуру масла.
Горючее в баке подогревателя появляется в процессе работы двигателя (4) из специального бачка (5), если топливо отсутствует, то наполнение возможно при помощи ручного топливоподкачивающего насоса. Необходимо регулярно отслеживать на предмет течи топлива и охладительной жидкости в местах соединения трубок, кранов и прочих узлов.
Предпусковой подогреватель на КамАЗе в момент достижения температуры котла до 85°С, переключается в режим продувки. Включить повторно ПЖД на КамАЗе станет возможным после полного отключения.
Схема работы предпускового нагревателя двигателя:
1 система управления; 2 двигатель постоянного тока; 3 трубка для всасывания; 4 муфта; 5 вентилятор; 6 подшипник; 7 передачи; 8 насос топлива; 9 электромагнитный клапан; 10,11 форсунка с корпусом; 12,13 электрод для зажигания и держатель; 14 пропускной клапан; 15 индикатор подачи пламени; 16 диск; 17,18 трубки отвода и подвода топлива; 19,21,22 теплообменник и его трубки; 20 завихритель; 23 трубка ввода/вывода газов; 24, 25 трубки входа/выхода; 26.27 кронштейны; 28 блок питания; 29 предохранитель; 30, 31 датчики управления устройством.
Система дистанционного управления ПЖД-30 дает возможность управлять работой подогревателя как при рабочем положении кабины автомобиля, так и при опрокинутой кабине.Переключатель подогревателя ПЖД-30, установленный на кронштейне в кабине, имеет четыре положения:
положение 0 — все выключено;положение I — включен электродвигатель насосного агрегата, электромагнитный топливный клапан и электроискровая свеча;положение II — включен электродвигатель насосного агрегата и электромагнитный топливный клапан;положение III — включен электродвигатель насосного агрегата и электронагреватель топлива.
Технические характеристики предпускового подогревателя двигателя ПЖД-30:
| Мощность, Вт | 340 |
| Затраты горючего, кг/ч | 4,2 |
| Электродвигатель насосного агрегата | МЭ252 |
| Воспламенение топливной смеси | электроискровая свеча СН 423 |
| Электромагнитный клапан | ПЖД-30-1015500 |
| Максимальный напор топливного насоса, кгс/см² | 1,2 |
|
Производительность
— жидкостного насоса, л/мин — нагнетателя воздуха, кг/ч |
30
90 |
Предпусковой подогреватель двигателя является компактным прибором, достаточно простой в эксплуатации. Он устанавливается непосредственно в контур системы охлаждения мотора, электропитания топливной системы.
Такой прибор изготавливается из нержавеющей стали, поэтому способен выдерживать самые сильные нагрузки, а устойчивые антикоррозийные свойства позволяют использовать любой вид охладительной жидкости.
Устройство предпускового нагревателя ПЖД-30 запускается в определенном порядке:
Активация выключателя аккумулятора — запустить путем нажатия на кнопку включателя ПЖД.Открытие крана на топливном баке и наполнение системы горючим в КамАЗе.
Установка ручки в положение III и активация пуска обогрева с учетом уличной температуры.Перевод ручки в обратное положение I до появления воспламенения горючего (характерный звук).Автоматическое переключение в режим устойчивого нагреваВключенный ПЖД имеет стабильный гул в системе. Это означает, что в теплообменнике происходит сгорание топлива и выход отработанных газов через выводную систему без образования дыма и открытого очага пламени.
При возникновении нарушений в работе ПЖД КамАЗа, следует изначально отрегулировать расход топлива редукционным клапаном. Во время изменения и поворота клапана вправо — подача топлива увеличивается, влево — уменьшается. В зависимости от заявленных требований необходимо установить рычаг в оптимальное положение. Рекомендуется отлаживать систему подачи горючего в зависимости от температурных перепадов. Это обеспечит не только более стабильную работу системы подогрева, но и значительно уменьшит затраты на заправку.
Общее устройство подогревателя
Конструктивно жидкостный подогреватель состоит из нескольких основных узлов:
- Котел, осуществляющий подогрев охлаждающей жидкости раскаленными газами — продуктами сгорания топлива;
- Горелка, в которой происходит образование топливно-воздушной смеси, ее первоначальный поджиг и последующее сгорание;
- Насосный агрегат, обеспечивающий подачу воздуха (а также и отвод отработанных газов) и циркуляцию охлаждающей жидкости в системе;
- Система дистанционного управления.
Основу подогревателя составляет котел, он обычно состоит из четырех вставленных друг в друга стальных цилиндров, образующих теплообменник из двух разобщенных кольцевых полостей — для прохождения отработанных газов и циркуляции охлаждающей жидкости. На внешней поверхности котла расположены три патрубка — для подвода и отвода охлаждающей жидкости, и для отвода отработанных газов.
Один торец котла глухой, внутри о него ударяются отработанные газы, меняют свое направление, уходят в газовую полость и выходят через патрубок. При этом тепло газов не теряется бесполезно, оно используется для нагрева масла в масляном поддоне двигателя. Для этого к патрубку присоединена выхлопная труба, подведенная к нижней поверхности поддона.
В открытом торце котла устанавливается горелка, в которой располагаются:
- Форсунка — мелко распыляет топливо и придает ему большую скорость для образования устойчивого факела. Для очистки топлива в форсунке предусмотрен сетчатый фильтр;
- Искровая свеча зажигания — используется только в момент запуска подогревателя для первоначального поджига топлива;
- Электромагнитный топливный клапан — отвечает за подачу топлива к форсунке, управляется с пульта в кабине. Здесь также имеется сетчатый фильтр;
- Нагреватель топлива — выполняет нагрев проходящего к форсунке жидкого топлива, обычно выполнен в виде цилиндрического нагревательного элемента;
- Газовый нагреватель — выполняет нагрев образовавшейся топливно-воздушной смеси непосредственно в горелке, выполнен в виде кольца, охватывающего горелку в определенном месте.
Узел крепится на открытый торец котла, к нему подведена топливная трубка и воздушный патрубок, а также на нем предусмотрены разъемы для подключения к блоку управления в кабине.
Насосный агрегат — это тоже отдельный узел, в котором объединены все насосы — водяной, топливный и воздушный (вентилятор). Все они имеют привод от одного двигателя, каждый насос соединен патрубками и трубками со своими системами. Водяной насос подключен к водяной рубашке двигателя, он осуществляет отбор жидкости от задней части блока и подает ее на котел, от котла нагретая жидкость поступает в переднюю часть блока (обычно в правую его часть).
Топливный насос соединен со специальным топливным баком малого объема, топливо отсюда подается к электромагнитному клапану на горелке. Причем насос создает довольно высокое давление (до 6-9 атмосфер), необходимое для эффективного распыла топлива форсункой. Бак автоматически наполняется топливом при запущенном двигателе или ручным топливоподкачивающим насосом при остановленном моторе.
Вентилятор осуществляет нагнетание воздуха в горелку под давлением, это обеспечивает как эффективное образование факела, так и прогон отработанных газов через весь подогреватель и их подачу на масляный поддон двигателя.
Именно в конструкции и расположении насосного агрегата заключаются основные отличия между разными типами подогревателей. В подогревателях ПЖД-30 насосный агрегат выполнен в виде самостоятельного узла, который монтируется либо над котлом, либо вовсе располагается в любом удобном месте. В этом случае все соединения выполняются патрубками различной длины. А в подогревателях 15.8106 и им подобных насосный агрегат устанавливается на торце котла, непосредственно рядом с горелкой. Такое решение позволяет отказаться от воздушных патрубков и приводит к уменьшению габаритов подогревателя.
Система дистанционного управления содержит блок управления с переключателем режимов работы подогревателя (на четыре положения), ряд реле и предохранителей, и коммутатор свечи зажигания. С помощью данной системы осуществляется управление и контроль работы агрегата.
В современных подогревателях часто используются различные датчики (в первую очередь — датчик температуры или датчик факела) и вспомогательные устройства, облегчающие запуск агрегата и дающие возможность контролировать его работу. Однако принципиально эти подогреватели не отличаются от старых.
ПЖД 15.8106 для КамАЗ 65115
На примере конкретной модели разберем требования безопасности при эксплуатации:
- Следует понимать, как пользоваться подогревателем, внимательно изучив инструкцию, и помнить: неправильное обращение может привести к пожару.
- Не используйте отопитель, если система охлаждения не заполнена.
- Не включайте его без топливной жидкости.
- Запрещено открывать горелку во время работы.
- Регулярно прочищайте от грязи патрубки забора воздуха для горения, и идущие через котел подогревателя – для отвода продуктов сгорания топлива.
- Если на КамАЗ-е планируется проведение электросварочных работ, следует отключить шестиштекерную колодку на блоке управления ПЖД.
- Отрицательная клемма автономного отопителя должна быть подсоединена к «минусу» АКБ, а не к «массе».
- В салоне автотранспорта всегда должен быть исправный огнетушитель.
- После завершения работы всегда выключайте топливный кран.
Особенности работы ПЖД «Теплостар 14ТС-10»:
- Может работать в двух режимах: «экономичный» (ЭР) и «предпусковой» (ПР). В первом случае потребляемая мощность снижается и позволяет пройти полный цикл за 8 часов, тогда как время работы на предпусковом режиме сокращается до 3 часов.
- Предусмотрена ручная остановка работы системы на любом этапе цикла.
- Процесс работы автономного отопителя 14ТС-10 контролирует блок управления.
- Температура охлаждающей жидкости «автономки» регулируется в зависимости от выбранной программы работы подогревателя: «полный» (70°C при ПР, 55°C при ЭР), «средний» (70-75°C при ПР, >55°C при ЭР), или «малый» (75-80°C при ПР, 80°C при ЭР).
Как работает автоматическое управление при возникновении нештатных ситуаций:
- Если 14ТС-10 не запустился, блок управления автоматически произведет повторный запуск. Если вторая попытка окажется неудачной, обогреватель выключится.
- Если по какой-то причине в процессе работы прекратится горение, отопитель выключится.
- Если произойдет перегрев (нарушится циркуляция охлаждающей жидкости или образуется воздушная пробка), блок управления отключит подогреватель.
- При резком спаде или скачке напряжения также происходит выключение.
При аварийном выключении предпускового дизельного подогревателя на пульте управления загорится светодиод, количество миганий которого показывает код неисправности. Расшифровку ошибок и способ их устранения можно найти в инструкции по эксплуатации.
Режимы аппарата
Блок управления предназначен для регулировки температуры смеси, которая охлаждает процесс горения. Значения температурных показателей влияют на выбор режима устройства. Существуют следующие режимы:
- малый (4 кВт) — жидкость, предназначенная для охлаждения, прогревается до +80°C;
- средний (9 кВт) — показатель разогрева охлаждающей жидкости составляет +75°C;
- полный (15 кВт) — при экономичной программе смесь нагревается до +55°C, при предпусковой — до +70°C.
Помпа, несмотря на это, продолжает работать, благодаря чему обогрев транспортного средства не прекращается. Если температура падает ниже +55°C, то запускается режим «Полный» для предпусковой программы или «Средний» для экономичной.
Для чего предназначен и как устроен
Когда двигатель запускается после длительной стоянки, в первые секунды его детали соприкасаются между собой без смазки. Вязкость холодного моторного масла более высокая, чем в диапазоне рабочих температур мотора. Поэтому, чтобы смазывающая жидкость проникла по узким маслопроводам к деталям двигателя, нужно некоторое время. Особенно страдают от холодного запуска детали поршневой группы. Таким образом, запуски непрогретых моторов сокращают их ресурс до 1.5 раз. Для того чтобы этого избежать, а также облегчить старт движка в морозную погоду, предназначены предпусковые обогреватели, питающиеся от сети 220 В.
Это устройство способно за 30 минут нагреть мотор даже при сильном морозе
Устройство и работа предпускового подогревателя
Современный подогреватель устроен довольно просто и мало чем отличается от кипятильника. Принцип его работы состоит в том, чтобы нагреть охлаждающую жидкость (антифриз, тосол) до рабочей температуры, от 60 до 70 °C. Нагреваясь, жидкость начинает перемещаться по патрубкам системы охлаждения, нагревая при этом детали двигателя. Для ускорения теплообмена, многие модели снабжены помпами, создающими давление в малом контуре охлаждающей системы.
Чтобы создать давление за счёт разницы температур, нагреватели без помпы подключаются к охлаждающей системе в самой низкой её точке. Устройство с насосом можно подключить к охлаждающей системе в любом месте. Когда температура достигает заданной величины, реле просто отключит нагревательный элемент. Если температура вновь понизится, реле опять включит нагрев тосола. Таким образом, можно заблаговременно подключить устройство, не боясь перегреть охлаждающую жидкость.
Кроме нагрева рубашки охлаждения движка, нагреватели могут параллельно:
- заряжать аккумуляторы;
- нагнетать тёплый воздух в салон;
- управляться дистанционно, включаясь и выключаясь по команде из пульта.
Так можно подключать нагреватели с помпами и без них
Мощность нагревательных элементов колеблется в диапазоне от 500 Ватт до 4 квт. Набор дополнительных возможностей зависит от модели и комплектности каждого такого устройства. В продаже есть и довольно простые подогреватели, которые вкручиваются в заглушки или сливные пробки охлаждающих систем моторов.
Сфера применения и разнообразие моделей
Простое устройство и невысокая стоимость являются главными преимуществами предпусковых подогревателей 220 вольт, перед другими их разновидностями. Эти устройства можно самостоятельно установить на любой автомобиль. Нужно только определиться с креплением прибора в подкапотном пространстве и следовать инструкции производителя по установке. Единственное условие, ограничивающее сферу применения — обязательное наличие невдалеке электрической розетки.
Есть модели с дистанционным пультом, на котором можно устанавливать температуру нагрева жидкости и время подогрева таймера
Такие нагреватели лучше всего подойдут для частных домовладельцев или автовладельцев, живущих на нижних этажах многоэтажек. Довольны будут и те, кто имеет неподалёку гараж с подведённым электричеством. Ведь электрическим подогревателем можно управлять дистанционно, с расстояния до 1 километра (при прямой видимости). Если же на пути сигнала будут препятствия, дистанция значительно сократится.
Сегодня автомобилисты могут приобрести предпусковые подогреватели как российского, так и зарубежного производства. Популярны у автомобилистов китайские приборы «Лунфэй», а также норвежские DEFA. Немецкие обогреватели Webasto не очень удобны из-за сложностей в установке, к тому же дороги. Среди изделий российского производства можно отметить торговые марки «Северс» и «Старт», выпускающиеся с комплектами монтажных запчастей для отечественных и зарубежных моделей авто. К каждой модели есть собственный набор монтажных деталей, вместе с инструкцией по установке.
В зависимости от объёма двигателя, можно выбрать модели мощностью от 1 до 3 кВт
Технические характеристики
ПЖД-30
- Номинальная теплопроизводительность: 30 кВт.
- Расход топлива: 4,2 кг/час.
- Номинальное напряжение: 24В.
- Рабочее напряжение: 20-30В.
- Сила тока на свече: 5А.
- Потребляемая мощность: 340 Вт.
- Температура газов на выходе: 500 С.
- Масса: 17 кг.
- Ресурс работы: 500 час.
- Размеры: 210*520*266 мм.
- Цена: 30000 руб.
Руководство по ремонту – скачать.
ПЖД-16-01СТ
- Номинальная теплопроизводительность: 16 кВт.
- Расход топлива: 2 л/час.
- Номинальное напряжение: 24В.
- Рабочее напряжение: 20-30В.
- Сила тока на свече: 10А.
- Потребляемая мощность: 132 Вт.
- Температура газов на выходе: 500 С.
- Масса: 10 кг.
- Ресурс работы: 500 час.
- Цена: 23000 руб.
Руководство по эксплуатации – скачать.
ПЖД-14ТС
- Номинальная теплопроизводительность: 15,5 кВт.
- Расход топлива: 2 л/час.
- Номинальное напряжение: 24В.
- Рабочее напряжение: 20-30В.
- Потребляемая мощность: 132 Вт.
- Масса: 20 кг.
- Размеры упаковки: 300*800*300 мм.
- Цена: 24000 руб.
Руководство по ремонту – скачать.
Руководство по эксплуатации – скачать.
ПЖД-12Б
- Номинальная теплопроизводительность: 12 кВт.
- Расход топлива: 1,6 л/час.
- Номинальное напряжение: 24В.
- Рабочее напряжение: 20-30В.
- Сила тока на свече: 11А.
- Потребляемая мощность: 116 Вт.
- Температура газов на выходе: 300 С.
- Масса: 9 кг.
- Ресурс работы: 3000 час.
- Размеры: 387*206*231 мм.
- Цена: 26000 руб.
Руководство по эксплуатации – скачать.
Коды ошибок ПЖД 14ТС-10: описание, решение проблем
ПЖД 14ТС-10 — это устройство подогрева дизельного двигателя, которое работает за счет системы жидкостного охлаждения. От прочих моделей прибор отличается жидкостной системой охлаждения, которая позволяет устройству работать в условиях низких температур. Довольно часто во время эксплуатации системы ПЖД возникает целый ряд ошибок, которые зачастую можно решить в «домашних» условиях. В этом материале мы рассмотрим описание устройства ПЖД, и основные коды ошибок.
Описание прибора
Предпусковой подогрев дизельного двигателя происходит из-за наличия жидкостной системы охлаждения. Прибор создан для монтажа непосредственно в саму систему охлаждения автомобиля. Сам подогрев происходит в результате горения топливовоздушной смеси, которая поступает из топливной системы автомобиля. Прибор работает от штатной системы электроснабжения. Для перекачки жидкости в системе ПЖД предусмотрена специальная помпа.
Комплектация ПЖД 14ТС-10
Как писалось ранее, главная цель ПЖД 14ТС-10 — разогреть двигатель перед работой. Топливо, сгорая в специальном отсеке, нагревает теплообменник и передает тепло в систему охлаждения. Жидкость начинает циркулировать и постепенно прогревать весь двигатель. Данная система идеально подходит для предпускового подогрева и подогрева в экономичном режиме. Во втором случае следует учитывать, что КПД системы существенно ниже.
С помощью специальной программы вначале происходит продувка камеры сгорания. После этого начинается разогревание свечи накаливания до определенной температуры, которая воспламеняет горючую смесь. Процесс горения контролируется с помощью датчиков и блока управления.
Что касается сферы применения ПЖД 14ТС-10, то к ней можно отнести: грузовой транспорт, автобусы и спецтехника.
Основные рабочие режимы
Всего в аппарате ПЖД 14ТС-10 существует две основных рабочих программы: «Предпусковая» и «Экономичная». Каждая из них выбирается оператором в зависимости от задач и температуры окружающей среды. Помимо программ в системе ПЖД предусмотрено три основных режима работы:
- «Полный». В рамках данного режима предполагается нагрев жидкости в системе охлаждения до температуры от 60 до 70 °С;
- «Средний». Во время этого режима температура подогрева жидкости колеблется в пределах 70 — 75 °С;
- «Малый». Этот режим позволяет нагреть жидкостную систему до 80 °С.
Как только рабочая температура в системе охлаждения превышает отметку в 80 °С система автоматически прекращает горение топлива, при этом помпа работает в обычным режиме для обогрева салона. Как только температура жидкости падает ниже 55 °С, то топливовоздушная смесь снова начинает горение и процесс подогрева. Что касается продолжительности полного рабочего цикла, то в программе «Предпусковая» оно составляет 3 часа, а в режиме «Экономичный» максимальное время работы повышается до 8 часов. При этом систему ПЖД при необходимости можно самостоятельно отключить в любое время.
Внешний вид Комплектация ПЖД 14ТС-10.
Что делает блок управления и пульт управления прибором?
Блок управления ПЖД 14ТС-10 выполняет все основные задачи по контролю работы устройства. Он производит начальную диагностику на наличие неисправностей в системных узлах, обеспечивает переключение программ и режимов работы, а также контролирует непосредственно сам процесс работы.
Пульт управления необходим для ручного контролирования работы блока управления. С помощью пульта оператор может самостоятельно включать и выключать систему, переключать рабочие программы, выставлять температуру подогрева и время работы системы. Также с помощью него можно смотреть рабочие показатели системы.
Основные ошибки и способы их решения
Отличительной особенностью системы ПЖД 14ТС-10 является то, что оператор может самостоятельно определить причину поломки. Для этого разработчик предусмотрел специальную систему светодиодной идентификации. Все что вам нужно — это посчитать число миганий светодиода. Далее в зависимости их количества от 1 до 10 оператор может узнать причину и способ ремонта устройства. Коды ошибок и инструкция по их решению представлены на изображении снизу. Рекомендуем скопировать данную таблицу и хранить ее в автомобиле для быстрого решения проблемы.
Описание ошибок ПЖД 14.



























