Типы датчиков АБС
На современных автомобилях наиболее часто встречаются три вида датчиков АБС, это:
- пассивный тип – его основой является индукционная катушка;
- магниторезонансный – действует на основе изменения сопротивления материалов под воздействием магнитного поля;
- активный – работает на принципах эффекта Холла.
Пассивные датчики начинают работать с началом движения и считывают информацию с зубчатого импульсного кольца. Проходящий мимо устройства металлический зубец провоцирует генерацию импульса тока в нем, который передается на ЭБУ. Датчики включаются в работу при скорости движения от 5 км/ч. Загрязнения не оказывают на их работу никакого влияния.
Активные датчики состоят из компонентов электроники и постоянного магнита расположенного на ступице. При прохождении магнита мимо устройства в нем образуется разность потенциалов, которая генерируется в сигнал управления микросхемой. После данные считываются электронным блоком управления. Такие датчики АБС встречаются крайне редко и ремонту не подлежат.
Пассивный тип датчиков АБС
Конструкционно простое и надежное устройство с большими сроками службы. Не требует дополнительно питания. Он состоит из индукционной катушки внутри которой размещен магнит с металлическим сердечником.
При движении авто металлические зубцы ротора проходят через магнитное поле сердечника, тем самым изменяя его и образуя переменные ток в обмотке. Чем выше скорость движения транспорта тем больше частота и амплитуда тока. Исходя из получаемых данных ЭБУ дает команды магнитным клапанам. К преимуществам датчиков такого типа можно отнести не высокую стоимость и простоту замены.
Недостатки пассивного датчика АБС:
- сравнительно большой размер;
- невысокая точность данных;
- не включается в работу при скорости до 5 км/ч;
- срабатывает при минимальных вращениях колеса.
Магниторезонансный датчик АБС
В основе их работы лежит возможность изменять электрическое сопротивление ферромагнитного материала под воздействием постоянного магнитного поля. Участок датчика отвечающий за контроль изменений изготовлен из двух либо четырех слоев железоникелевых пластин с размещенными на них проводниками. Другая часть установлена в интегральную схему и считывает изменения сопротивления образуя контрольный сигнал.
Ротор при такой конструкции изготовлен из пластикового кольца с магнитными участками и жестко закреплено на ступице колеса. При движении машины магнитные участки ротора воздействуют на магнитное поле пластин чувствительного элемента, что регистрирует схема. Образуется и передается на блок управления импульсный сигнал.
На основе эффекта Холла
В основе его работы используется эффект Холла. На разных концах плоского проводника, размещенном в магнитном поле, образуется поперечная разность потенциалов.
В датчиках такой проводник – это квадратная металлическая пластина размещенная в микросхеме, включающая в себя интегральную схему Холла и контролирующая электронную схему. Датчик АБС размещается напротив импульсного ротора. Ротор может быть выполнен полностью из металла с зубцами или в виде пластикового кольца с магнитными участками, и жестко закреплен на ступице колеса.
В такой схеме постоянно образуются сигнальные всплески с определенной частотой. В спокойном состоянии частота минимальная. При движении металлические зубцы либо магнитные участки проходят через магнитное поле и вызывает изменение тока в датчике, что отслеживается и фиксируется схемой. Исходя из этих данных формируется и передается сигнал на ЭБУ.
Двигатель
Машина может оборудоваться различными типами двигателей. Наибольшим спросом пользуются грузовики, оснащенные дизелем собственного производства мощностью 156 лошадиных сил. Это четырехтактная поршневая модель Д-245.30 ММЗ с вертикальным расположением цилиндров и системой непосредственной подачи топлива, турбированным наддувом и охлаждением воздуха. Основным достоинством мотора является низкая стоимость.
Второй по популярности двигатель МАЗ 4371 – это Deutz BF4M1013FC с системой электронного управления. Он характеризуется надежностью, экологичностью (Евро-3) и мощностью (170л.с.).
Другие варианты оснащения:
- MAN D0834FL64 мощностью 180 лошадиных сил с соответствием качества выхлопа стандарту Евро-5;
- Cummins мощностью 160 лошадиных сил с качеством выхлопа Евро-4.
Агрегат Ярославского моторного завода имеет характеристики, аналогичные МАЗ. Он также широко распространен на территории России.
Расшифровка правой части щитка
Правее располагаются контрольные лампы на панели МАЗ, отражающие:
- Падение давления в тормозных контурах;
- Уровень заряда АКБ;
- Снижение степени масляного давления в моторе;
- Недостаточный уровень жидкости охлаждения;
- Включение блокировки межколесного дифференциала;
- Загрязнения фильтра для очистки масла;
- Состояния АБС на прицепе;
- Функционирования EDC;
- Запуска свечей накаливания;
- Достижения уровнем масла аварийной отметки;
- Диагностического режима ПБС и АБС;
- Контроля АБС;
- Загрязненности фильтра воздуха;
- Уровня жидкости в системе рулевого гидроусилителя;
- Аварийного повышения температуры в охлаждающей моторной системе.
Расшифровка ламп приборной панели МАЗ Зубренок также включает значения, отображаемые на правой части панели. Здесь находятся переключатели работы вентилятора в кабине, света, блокировки дифференциала и подсветки мотора.
На этой же части располагаются выключатели задней противотуманки, обогрева зеркал, режима работы АБС, TEMPOSET, ПБС.
Ниже находятся реостат от подсветки приборов, клавиша для включения аварийной сигнализации, выключатель АКБ и терморегулятор, управляющий подогревателем (если такой агрегат установлен).
Контрольные лампы МАЗ, а также щитки приборов легко найти в каталоге. Гарантируем быструю доставку, доступную цену и самое лучшее качество запчастей.
Источник
Особенности устройства
Благодаря антиблокировочной системе транспортные средства приобретают:
- Устойчивость во время торможения на скользком шоссе;
- Уменьшение износа шин;
- Увеличение активной безопасности.
АБС Wabco отвечает за режим ограничения скорости, а «ЭКРАН» сохраняет и выдает информацию о замедлении торможения.
- Индуктивных датчиков;
- Модуляторов;
- Электронного блока;
- Платы;
- Реле;
- Блока предохранителей.
Кнопки вызова и диагностики находятся с правой стороны приборной панели.
Для торможения на неровных дорогах горной местности предусмотрен специальный режим АБС, включающийся переключателем.
Принцип работы антиблокировочной системы
Как сделать диагностику АБС самому? — чтобы с уверенностью ответить на этот вопрос, важно знать устройство самой системы. Для этого разберём несколько отдельно взятых её частей:
- Датчики скорости. Датчики располагаются возле каждого колеса автомобиля. Они передают на блок управления ABS информацию о скорости вращения каждого из колёс.
- Блок управления ABS. Блок управления принимает сигналы с датчиков скорости, анализирует ситуацию, и, в случае блокировки колеса, передаёт команду на блок управления гидравликой.
- Гидравлический блок управления, получив сигнал о заблокированном колесе, перекрывает канал тормозной жидкости, идущий к этому колесу.
В результате получается, что как только колесо заблокируется, система «отпускает» его. Как только это происходит, оно снова блокируется. Всё это происходит с высокой частотой, и в итоге колёса вращаются на предельном усилии, но при этом без перехода на движение юзом.
Возможные неисправности системы АБС и способы устранения
Признаки неисправностей
— Возможная причина
Способ устранения
При повороте ключа зажигания «приборы» не загораются контрольные лампы с символами «ABS» или «ASR/INF»
— Отсутствует или понижено напряжение сети автомобиля, отсутствует напряжение блока управления
Проверить напряжение сети. Проверить предохранители питания «ABS/ASR»
— Неисправность контрольных ламп или проводки
Заменить неисправную лампу, проверить проводку
— Неисправность блока управления
Заменить блок управления
При повороте ключа зажигания в положение «приборы» контрольные лампы «ABS» и «ASR/INF» загораются и не гаснут
— Обрыв или короткое замыкание в цепях кабелей или разъемов датчиков, модуляторов или электропневмоклапанов ПБС
Проверить тестером цепи датчиков, модуляторов и электропневмоклапанов ПБС, устранить неисправность
При движении со скоростью более 7км/ч красная контрольная лампа с символом «ABS» тягача или прицепа не гаснет
— Увеличен зазор между статором датчика и ротором
Проверить тестером напряжение выходного сигнала датчиков, отрегулировать зазор
— Неисправность катушки датчика, нарушен контакт в разъеме соединения датчика с кабелем, обрыв кабеля
Проверить активное сопротивление датчиков и кабелей, восстановить контакт, заменить датчик.
— Неисправность катушки электромагнитных клапанов модулятора, нарушен контакт в разъеме, неисправность кабеля
Проверить состояние катушек, кабеля и разъема.
— Нарушение контакта в коммутационных колодках
— Неисправность проводки или неисправность БУ
Проверить реле и проводку. Заменить неисправные элементы.
После достижения скорости 5—7км/ч контрольная лампа с символом «ABS» гаснет и начинает мигать е частотой 0,5 Гц
— Переключатель режимов работы АБС находится в состоянии «замкнут» или замыкание контакта переключателя на «массу»
При торможении зажигается красная контрольная лампа с символом «ABS», АБС работает с перебоями
— Нарушение контакта в колодке коммутационной платы, нарушено крепление блока управления
Восстановить контакт, закрепить блок управления
— Нарушено крепление или увеличен воздушный зазор одного из датчиков колес
Проверить крепление датчиков, восстановить воздушный зазор
При торможении АБС срабатывает, но происходит блокировка одного из колес
— Нарушение смазки и заедание разжимного кулака или роликов колодок тормоза
Разобрать колесный узел, устранить неисправность, восстановить смазку.
— Ослабла или поломана стяжная пружина колодок тормоза
— Неправильное подключение датчиков и модуляторов
Проверить соответствие подключения датчиков и модуляторов
При нажатой тормозной педали происходит стравливание воздуха из атмосферного вывода модулятора
— Нарушена герметизация выпускного диафрагменного клапана модулятора за счет попадания инородного тела между седлом клапана и диафрагмой
Заменить или разобрать модулятор и устранить неисправность с последующей проверкой его герметичности.
При нажатии тормозной педали загорается лампа желтого цвета с символом «ABS» прицепа
— Нарушено соединение в разъеме питания АБС прицепа, не подключен или оборван кабель питания АБС прицепа, неисправен или отсутствует электронный блок АБС прицепа (прицеп не оснащен АБС)
Проверить разъемы и предохранители, подключить исправный кабель и проверить цепь питания, контрольные лампы и блок АБС прицепа
АБС, или антиблокировочная система автомобиля, служит для предотвращения блокирования колес при экстренном торможении. В ее состав входит электронный блок управления, гидравлический узел датчики вращения задних и передних колёс. Основная задача системы – сохранение управляемости транспортом, обеспечение устойчивости и сокращение тормозного пути
Поэтому очень важно поддерживать исправное состояние всех ее элементов. Проверить датчик ABS можно и самостоятельно, для этого необходимо знать какой именно тип датчика установлен на авто, признаки указывающие на его поломки и способы проверки
Рассмотрим все по порядку.
Диагностика датчика ABS своими руками
Самая сложная в проверке и дорогая часть ABS – контрольный блок. Однако и проблем с ней возникает реже. Предохранительное реле защищает его от скачков, значительных спадов и перепадов напряжения тока от аккумулятора.
А вот датчики колес – наиболее уязвимое звено ABS. Это связано с их местонахождением. Они установлены возле подвижных элементов (полуоси и ступицы), подвергаются воздействию с их стороны. Провокаторами возникновения неисправностей в них, вплоть до полного выхода из строя, становятся, легко проникающая, грязь и расширяющийся люфт в подшипниках.
Нужно запастись мультиметром, тестером, пайкой.
Осмотр проводят поэтапно, переходя от простого к более сложному.
Демонтаж датчика
Чистка от загрязнений. Используют керосин или «белый» спирт
Особое внимание надо обращать на зубцы ступицы колеса, с которых прибор считывает обороты. Они быстро забиваются грязью, что искажает данные датчика, как следствие, ступору ABS
Прочистить и сам датчик.
Замерить сопротивление детали и сравнить с, заложенным производителем, нормативом. Его найдите в справочнике или узнайте у продавца.
Нужно замерить напряжение при вращающемся колесе. Приподнимите автомобиль на домкрате, освободите колесо для свободной раскрутки. Подсоединить мультиметр, вращая колесо, снять показания изменения напряжения. Сравнить с данными справочника.
Переходите к подшипникам. Прокрутить его несколько раз. Проверить легкость скольжения, определить исправность сенсора мультиметром. Все тщательно очистить.
Теперь надо посмотреть реле, если до этого этапа поломок не выявлено. На нем имеется пластиковая крышка, а под ней установлен предохранитель. Его то, в первую очередь, нужно проверить и заменить.
Для проверки реле надо:
- Разъединить его с разъемом блока;
- Мультиметром подсоединяетесь к первому и второму контакту разъема (всего в разъеме 25 пронумерованных контактов);
- Включить зажигание. Измеритель должен выдать 20В электрического тока бортовой сети;
- Если напряжение отсутствует, проверить целостность соединения контакта №2 с «массой» кузова, минусовым щупом. При условии, что предохранитель цел;
- Само реле отсоединить и подключить его пины №5 и №6 непосредственно к аккумулятору. Исправная деталь начнет щелкать.
- Тестирование сканером. Колесный датчик ABS относится к индукционному виду — снабжен намагниченным сердечком, в обмотке. Магнитное поле, возникающее на сердечке при прохождении тока в катушке, образует поток. Он прерывается зубьями вращающегося ротора, создавая электромагнитные импульсы. Амплитуда импульсного колебания напряжения и есть уровень сигнала датчика в блок. Замер производится сканером. Сопротивление в исправной детали равно 750 – 1200Ом. Стремящееся к бесконечности сопротивление свидетельствует об обрыве. Нулевое его показание – замыкание. Таким способом «прозвонить» все провода датчика.
Кстати, тестер переведите в состояние «диод», так как в схему датчика включены защитные диоды. Простой замер может не выявить искажения.
— на изоляции – более 20Ом
— передняя ножка – 7 – 25Ом
— задняя ножка – 6 – 24Ом
Выявленная поломка датчика, означает только одно – его надо заменить. Ремонту он не подлежит.
Признаки и причины неисправностей датчика ABS
Один и первых признаков указывающий на неисправность системы АБС – это свечение индикатора на приборной панели дольше 6 секунд после включения зажигания. Либо он загорается после начала движения.
Причин дефекта может быть множество, отметим наиболее часто встречаемые:
- Обрывы проводов на датчике либо неисправность блока контроллера. В таких случаях на приборной панели появляется ошибка, выключается система, сигнал об изменении угловой скорости не подается.
- Датчик колеса пришел в негодность. После включения система начинает самодиагностику и находит ошибку, однако продолжает работать. Возможно на контактах датчика появилось окисление, что привело к плохому сигналу, либо датчик АБС закоротило или он «упал» на массу.
- Механические повреждения одного или нескольких элементов – подшипник ступицы, люфт ротора на датчике и т.п. В таких случаях система не включается.
Самым уязвимым звеном всей системы является колесный датчик, расположенный возле вращающейся ступицы и полуоси. Появление грязи или образование люфта подшипника ступицы может привести к полной блокировке системы АБС. О неисправности датчика просигнализируют следующие признаки:
- на бортовом компьютере появляется код ошибки системы ABS;
- отсутствие характерной вибрации и звука при нажимании на педаль тормоза;
- при экстренном торможении блокируются колеса;
- появляется сигнал стояночного тормоза при его отключенном положении.
При обнаружении одного или нескольких признаков первым делом состоит провести диагностику колесного датчика.
Диагностика двигателя
Мастера нашего предприятия производят диагностику системы управления двигателя грузового автомобиля МАЗ-4371 и МАЗ-4370 и дальнейший ремонт поломки. Значительный опыт мастеров диагностов и наличие дилерского компьютерного диагностического оборудования, позволяет быстро найти и устранить неисправность. Устранение, если это требуется, производится с заменой программированием, запчастей, параметрированием.
Истории из нашей практики
Работа появилась из славного, боевого города Петушки, Владимирской области. Автомобиль МАЗ Зубренок никак не хотел заводиться, механик организации и сторонние специалисты промучились с ним долго. Целых три месяца. Машина упорно не заводилась. Вызвали нас, надеясь на то, что работа пойдет быстрее, если скрыть нюансы, обеспечивающие главному механику период в жизненной карьере в более высокие начальники, но не тут то вышло. Все секреты, рассказанные нам, были на самом деле, вовсе не секретами, автомобиль был интересен в настоящем перед нами образе на столько, что мы решили написать про него статью отдельным пунктом.
Крайне важно отслеживать состояние датчиков и контрольных ламп МАЗ на панели приборов грузового автомобиля. Сегодня мы расскажем вам все об обозначении данных элементов
Сегодня мы расскажем вам все об обозначении данных элементов.
Не забывайте, что заказать комплектующие для щитка приборов МАЗ легко на нашем сайте.
Устройство и функциональность ABS
Антиблокировочная система на 15% сокращает тормозной путь грузовиков на мокром асфальте и скользком дорожном покрытии, сокращает на 7% износ покрышек, обеспечивая экономию на обслуживании. АБС состоит из:
- электронного блока управления;
- датчиков скорости вращения колес;
- модулей тормозов.
Блок управления анализирует данные, передаваемые датчиками, отдает команды блокам, которые делают движение колес поступательными, не позволяют им скользить, отправляя грузовик в неконтролируемый занос. Так система торможения снижает влияние человеческого фактора, помогает водителю избежать ошибок, которые опасны для жизни, здоровья людей, приводят к материальному ущербу, длительным ремонтам. Чтобы избежать аварийных ситуаций, необходим своевременный ремонт и диагностика АБС. Мы выполним эти все регламентные работы на месте.
Распространённые поломки
- Деактивация по результатам самодиагностики. Это может быть вызвано сбоями в работе управляющего блока или повреждением проводки сенсорного датчика ABS.
- АБС после активации самодиагностируется, но затем выключается. Такую проблему может вызвать разрыв проводов, нарушение контактов или их окисление, где нарушена подача питания и сигналов.
- Появляется ошибка, но датчик АВС работает. Это является следствием обрыва в сенсорном датчике. Также её может вызвать разница давления в колёсах или даже разный узор протекторов.
- Полная потеря работоспособности системы. Тут может быть масса причин, начиная от поломок датчика и заканчивая износом подшипников ступиц.
Чтобы выявить неисправность, нужно проверить давление и люфт в автоколёсах, работоспособность гребёнки и ротора. Если на элементах есть сколы, то их лучше полностью поменять. Если проблема осталась нерешённой, то причина, скорее всего, кроется в электронной составляющей. В таком случае требуется получить код для диагностики.
Антиблокировочная система (ABS). Описание
Антиблокировочная система автомобиля (Anti-lock Braking System) – это система, осуществляющая регулировку давления тормозной жидкости в тормозных контурах, что позволяет предотвратить блокировку колёс в момент торможения. Иными словами, эта система предотвращает торможение юзом, что даёт следующие преимущества:
- Повышение устойчивости автомобиля.
- Уменьшение тормозного пути.
- Экономия резины и сохранность шипов на шинах автомобиля.
Помимо своей основной функции, датчики и клапаны антиблокировочной системы используются для многих других систем автомобиля. Например, система курсовой устойчивости или система помощи при экстренном торможении. Система курсовой устойчивости подтормаживает определённые колёса при резких поворотах или заносах, что значительно улучшает показатели безопасности. Система помощи при экстренном торможении удерживает нажатой педаль тормоза вплоть до полной остановки.
АБС тормозов МАЗ
На автомобилях может быть установлена 4-канальная антиблокировочная система (АБС) тормозов типа 4S/4М (4 датчика /4 модулятора) с микропроцессорным блоком управление ф. Wabco (Германия) или БПО «Экран» (Беларусь)
Основное назначение системы — автоматическое поддержание оптимального торможения автомобиля без блокировки (юза) колес независимо от того, на какой дороге происходит торможение — скользкой или сухой.
Благодаря этому автомобили приобретают ряд достоинств:
— повышение активной безопасности за счет обеспечения устойчивости и управляемости в процессе торможения и повышение тормозной эффективности автомобиля, особенно на мокрых и скользких дорогах;
— продление срока службы шин;
— возможность увеличения средней безопасной скорости движения.
Кроме того, примененная конструкция АБС ф. Wabco может обеспечивать режим ограничения скорости, а АБС БПО «ЭКРАН» обеспечивает хранение и выдачу информации об эффективности (среднем замедлении) последнего торможения автомобиля и предаварийных режимах работы системы за последние 40 сек.

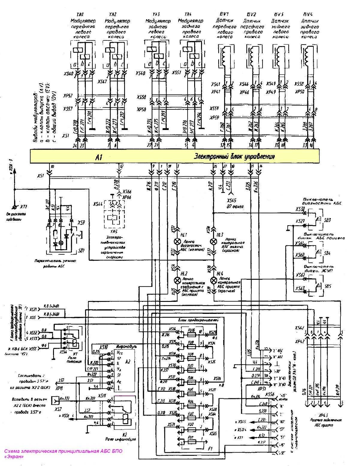
Расположение элементов системы на шасси автомобиля показано на рис. 1.
Система содержит индуктивные датчики 1 частоты вращения колес, электропневматические модуляторы 2 тормозного давления, установленные в тормозных магистралях перед тормозными камерами задних и передних колес, электронный блок 3, закрепленный на коммутационной плате 4, установленной под спальным местом за сидением пассажира, реле 5 и блок 6 предохранителей.
Диагностический разъем 11 и кнопки 12 и13 вызова режима диагностики АБС автомобиля-тягача и прицепа, расположены под правой крышкой панели приборов (рис. 2).

Контрольные лампы 1, 2, 3 и 4 и переключатели 5, 6 режимов работы АБС установлены на основном и дополнительном щитке панели приборов (рис. 2).
Контрольные лампы 1 и 2 (красного цвета) с символом ABS сигнализируют об исправности/неисправности АБС тягача или прицепа, лампа 4 (ASR/INF) — служит средством вывода информации о пробуксовке колес, а также вида и места неисправности в системе в режиме диагностики.
При установке АБС БПО «Экран» на указанную лампу обеспечивается также вывод информации об эффективности торможения.
Переключатель 5 предназначен для переключения АБС в специальный режим работы при торможении автомобиля в горной местности (например, при спуске с горы) на дороге покрытой гравием или рыхлым снегом.
Переключатель 6 используется при включении режима «Temposet» (ограничения скорости).
На задней балке опоры кабины расположена розетка 12 для подключения кабеля 10 питания АБС прицепа и парковочная розетка 13 (рис. 1).
Расположение элементов и электронных блоков АБС на коммутационной плате показано на рис. 3 и 4.
Схема электрическая соединений элементов АБС БПО «Экран» и АБС ф. Wabco показана соответственно на рис. 5 и 6.

Рис. 3. Расположение элементов АБС и электронного блока «Экран» на коммутационной плате

Рис. 4. Расположение элементов АБС и электронного блока ф. Wabcoна коммутационной плате

Рис. 5. Схема электрическая принципиальная АБС БПО «Экран»

Рис. 6. Схема электрическая принципиальная АБС ф. Wabco
Антиблокировочная система – устройство, виды датчиков
- блок управления, обеспечивающий наиболее эффективную и стабильную работу тормозной системы путем подачи сигналов для исполнительных устройств;
- гидравлический блок, являющийся исполнительным устройством, включающим в себя электромагнитные клапаны, демпфирующие камеры и кулачковый насос;
- датчики, определяющие скорость вращения колес и передающие сигналы на блок управления (датчики АБС).
Современные транспортные средства могут быть оборудованы датчиками трех типов:
- пассивный (с индукционной катушкой);
- активный (используется эффект Холла);
- магниторезонансный (используется изменение сопротивления материалов вследствие воздействия магнитного поля).
Пассивные датчики включаются только по достижении скорости движения 5 км/час. Кроме того, их недостатками являются также: сравнительно большие габариты, срабатывание даже при минимальных вращениях колес, недостаточно высокая точность данных.
Активные и магниторезонансные типы датчиков обладают большей точностью данных, обеспечивают надежную работу АБС и повышают безопасность использования автомобиля.
Кабина водителя
Кабина является отличительной чертой данной модели. Она характеризуется большим внутренним пространством, а эргономичность ее способна конкурировать с иностранными аналогами. В ней имеется только два кресла и не предусмотрена установка спального места. К преимуществам кабины МАЗ 4371 стоит отнести качественную работу системы отопления и отсутствие моторного тоннеля. Мягкая подвеска позволяет снизить усталость до минимума.
Для доступа в салон предусмотрены ступени и поручни. В конструкции отсутствуют пневматические баллоны и пружинные стойки, для монтажа используются резиновые втулки. Доступ к моторному отсеку обеспечивается за счет качественных и надежных гидравлических подъемников и замков.
Панель приборов считается лучшей среди выпускаемых в странах СНГ. Внутреннее оформление несколько уступает иностранным аналогам. Над лобовым стеклом МАЗ 4371 Зубренок появилась пластмассовая полка. Задняя часть крыльев установлена на несущую часть, они представлены подкрылками, осуществляющими защитную функцию.
К недостаткам кабины относится низкий уровень защиты от коррозии. Однако конструкция включает большое количество оцинкованных элементов.
Диагностика ABS 6 “Standard” — Автозапчасти и автоХитрости
Перейти к контенту Главное меню:
< manuals > > Разное > Knorr — Bremse > ABS 6
Диагностика тормозной системы ABS 6 “Standard”
Диагностика ABS 6 “Standard” по световым кодам (блинк кодам)
Вызов и отображение кодов ошибок
Перед инициализацией диагностики по блинк-кодам необходимо включить зажигание (подать напряжение на ABS). В процессе диагностики ABS не функционирует! После включения зажигания и до нажатия диагностической клавиши подождать не менее 1 с.
Вызов кодов ошибок производится одним нажатием на диагностическую клавишу втечение 0.5 — 8 с., а отображение производится посредством мигания аварийной лампы (выдача так называемых «блинк-кодов»). Каждая запомненная ошибка выдаётся блоком, состоящим из двух разрядов, первый из
которых обозначает номер компонента, а второй — номер ошибки. Коды ошибок приведены в таблице ниже.
Прервать выдачу кодов ошибок можно повторным нажатие диагностической клавиши.
Вызов кодов ошибок (блинк кодов)
Ошибки, описываемые блинк-кодами.
Вызов и отображение кодов конфигураций
Запрос на считывание кодов конфигурации производится методом двух нажатий на диагностическую клавишу с перерывом менее 1 с. Конфигурация выдаётся миганиями в двух блоках, каждый из которых
выдаёт по два разряда (десятки и единицы), как это показано на рисунке ниже. Все возможные конфигурации приведены в таблице ниже.
Вызов кодов конфигураций
Конфигурации, описываемые блинк-кодами ABS 6.
Конфигурация ЭБУ
Конфигурация каналов связи и реле ретардера независима от клапанов и сенсоров ABS ECU может быть сконфигурирована тремя различными путями.
• Самоконфигурация с помощью Диагностической Кнопки (только на повышение) – только ECU 24V.
ECU 24V может настраиваться на повышение конфигурации (для подключения дополнительных компонентов) если удерживать диагностическую кнопку в положении ВКЛ. несколько секунд, при включенном замке зажигания.
В защитных целях ECU не будет самоконфигурироваться на более низкий уровень, т. е. при удалении компонентов. Если будет обнаружено меньшее число компонентов чем в текущей конфигурации, то ECU включит лампу ABS и в памяти будет сохранена неисправность для отсутствующего компонента.
• Самоконфигурация с помощью Диагностической Кнопки (на повышение и на понижение) – только ECU 12V.
ECU 12V могут настраиваться на повышение конфигурации (для подключения дополнительных компонентов) или на понижение (при удалении компонентов) если нажать и удерживать диагностическую кнопку в положении ВКЛ при включенном зажигании, а затем нажать и отпустить ещё семь раз.
• Самоконфигурирование с помощью Диагностического средства по собственному запросу конфигурации.
ECU может быть переконфигурирована на более низкий или высокий уровень с использованием диагностических подключений KWP2000 или SAE J1587.
• Конфигурирование с помощью Диагностического средства по загрузке параметра
ECU имеет стандартные значения конфигурации. Отклонения от этих установок не может быть самостоятельно изучено ECU с помощью автоматической функции. Это должно быть запрограммировано с помощью программного средства. В данном случае, это две различные функции с одинаковым количеством компонентов. Примером может быть выбор слабого или сильного
управления оси. Ещё как пример это 6S/6M конфигурация с одной ведущей осью (6х2) или 2-мя ведущими осями (6х4).
Модифицирования относительно стандарта должны быть документированы (т. е. ECU номером детали, меткой).
Любая, не зарегистрированная или неправильная конфигурация, немедленно вызовет код ошибки. В этом случае ECU не будет менять конфигурацию.
Стирание памяти ошибок
После устранения неисправностей в системе необходимо стереть ошибку из памяти ошибок блока управления. Для этого необходимо при выключенном зажигании нажать диагностическую клавишу и отпустить только после включения зажигания. Менее, чем через 3 секунды память ошибок стёрта.
Стирание памяти ошибок
Заключительная проверка AБС 6
Провести динамический тест. Необходимо провести заезды автобуса, троллейбуса (разгон — торможение) по ровной площадке на территории завода или на местном полигоне (если имеется). Аварийная лампа должна погаснуть при достижении скорости автобуса 6 … 10 км/ч.
Начнем… | < manuals > | ЭНЦИКЛОПЕДИЯ | Услуги… | Контакты | Главная Карта Сайта




























